Door Closer Hole Pattern Chart

Need to replace an existing door closer?

Simply measure your current door closers hole spacing, and then find one of the models on the chart below with the same hole spacing for easy retrofit installation. If your model is not on this chart, call us for help. Download a PDF version of the door closer hole pattern chart.

3/4″ Vertical Holes x 12″ Horizontal Holes

Trudoor TDC-300
LCN 1450
Falcon SC81A
Norton 210, 8301, 8501
Yale 2701, 3301, 3501
Dorma 8616
Design Hardware 316
Hager 5200
Dormakaba/Stanley QDC211
Cal-Royal CR801
Best HD7016
Arrow 5016N
Sargent 1331
Doormerica DC851
Dexter DCM1000
Townsteel TDC-85
International 5000
PDQ 5301/5501
Tell 800
Calibre CA5500
Global TC400, TC500

3/4″ Vertical Holes x 9-1/16” Horizontal Holes

Trudoor TDC-100
LCN 1250, 1261
Falcon SC61
Norton 160, 1601
Accentra (formerly Yale) 51, 1101BF, YDC201
Cal-Royal 300PBF, 500PBF
Design Hardware 116
Hager 5300
Arrow DCN314
PDQ 3100
Sargent 1131
Dormakaba/Stanley QDC311
Dorma 7300
Tell 600
International 8051-TP
Deltana DC10
Dexter DCL2000
Global TC201
TownSteel TDC-54, TDC-90

2-1/4″ Vertical Holes x 5” Horizontal Holes

Trudoor TDC-400
LCN 4040XP
Best EHD9000 / EHD9016
Yale 5800
Hager 5100
Stanley QDC111
Cal-Royal CR441
Design Hardware 416
Doormerica DC40
Norton 410
Arrow DC500
Dexter DCH4000
Townsteel TDC-40
PDQ 7101
Deltana DC40
Tell 900
International 44CI
Calibre CA4000
CRL PR90
Global TC4300

2-3/8″ Vertical Holes x 6-3/4” Horizontal Holes

LCN 4050
Falcon SC71A
Norton 7500
Yale 4400
Dexter DCH1000

1″ Vertical Holes x 7-1/2″ Horizontal Holes

LCN 1461

Global TC4361

2-1/2″ Vertical Holes x 6″ Horizontal Holes

LCN 4011, 4021, 4111

2-1/8″ Vertical Holes x 5” Horizontal Holes

Dorma 8916

3/4″ Vertical Holes x 10-1/4″ Horizontal Holes

Best SL6014
Dorma 7414
Dorma 7436

9/16″ Vertical Holes x 11-1/8″ Horizontal Holes

Cal-Royal N900PBF
Doormerica DC70
Townsteel TDC-70

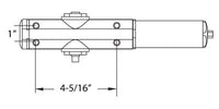
1″ Vertical Holes x 4-5/16” Horizontal Holes

Corbin Russwin DC3210
Corbin Russwin DC6210

1″ Vertical Holes x 11-1/8″ Horizontal Holes

Sargent 1431

1″ Vertical Holes x 10-3/8″ Horizontal Holes

Sargent 281

1″ Vertical Holes x 10” Horizontal Holes

Corbin Russwin DC8210
Norton 9500

2-1/2″ Vertical Holes x 9” Horizontal Holes

Best HD8016
Sargent 351

1-3/8″ Vertical Holes x 4-1/8” Horizontal Holes

Norton 78-B/F
Yale 1900

1-23/32″ Vertical Holes x 6-17/64” Horizontal Holes

LCN 4031