Product Overview
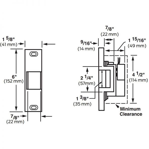
Von Duprin 6113 Grade 1 Electric Strike, 6″ x 1-15/16″ Faceplate, For use with Rim Exit Devices on Single Doors, Hollow Metal, Aluminum, or Wood Frame
The 6100 Series electric door strikes are designed for use with a variety of rim exit devices and include rim night latch and fire-rated solutions. Their stainless steel construction with integrated faceplate and smooth keeper movement help assure durability and reliability.
The 6100 Series is compatible with many Von Duprin, Falcon, and other manufacturers’ exit devices. In addition, they are suitable for retrofit with many Folger Adams models.
Ideal for high-abuse applications such as perimeter entrances and exits where secure access control is required.
- Designed for use with rim exit devices
- 24 VDC standard, 12 VDC option
- For interior or exterior doors with hollow metal, aluminum, or wood frames
- Heavy-duty stainless steel construction
- 1500 lbs. static strength
- Fail-secure standard: Requires power to be applied to unlock the strike lip. On loss of power, the strike lip is locked. Fire-rated.
- Fail Secure models – Fire-rated UL 10C to 3 hours on single doors; 90 minutes on pair doors with manufacturer’s mullion
- Retrofits VD 3011, VD 3021
Options
- FS (Fail-Safe): Requires power to be applied to lock the strike lip. On loss of power, the strike lip is unlocked. Non-fire-rated.
- DS: Monitors latch bolt and lock status. DS switches rated for 24 VDC at .050-2.0 amps.

| Brand | |
|---|---|
| Finishes | US10B (613) Oil Rubbed Bronze, US32D (630) Satin Stainless Steel |
| ANSI/BHMA Standard | ANSI BHMA A156.31 Grade 1 |
| Usage | Heavy Duty |
| Fire Rating | UL 10C 3-hour fire-rated (fail secure only) |
| Part Type | Complete Electric Strike |
| Lock Type Compatibility | Rim Exit Device |
| Buy American Act Compliance | Meets Buy Amercian Act – Made in USA |
Related Products
-

Detex - DS-24W-KIT Weatherized Electric Strike Kit For Rim Panic Exit Devices
$1,190.18Usage: Heavy Duty -

Detex - DS-24W Weatherized Electric Strike For Rim Panic Exit Devices
$1,075.83Usage: Heavy Duty -

Detex - DS-24 Surface Mounted Electric Strike For Rim Panic Exit Devices
$1,075.83Usage: Heavy Duty -

Hager - 2930 Universal Application Electric Strike
Multiple FinishesStarting at: $536.85Usage: Heavy Duty -

Hager - 2928 Electric Strike for Cylindrical or Mortise Locks
Starting at: $180.78Usage: Standard Duty -

Hager - 2925 Electric Strike for Cylindrical Locks
$133.38Usage: Standard Duty -

Hager - 2945 Universal Surface-Mounted Electric Strike for Rim Exit Devices
Multiple FinishesStarting at: $523.95Usage: Heavy Duty -

Locknetics - NC450 No Cut Electric Strike for Cylindrical Locks
Starting at: $164.48Usage: Standard Duty












