Complete Lite Kit Pack - LT-B1 Beveled Lite Frame with Schott PYRAN® Platinum F Fire-Protection-Rated and Impact-Safety-Rated Glass, and Glazing Tape, for 1-3/4" thick doors, 90 Minute Rated

The lite kits install without drilling holes through the door for quick installation. The hemmed design is a flush-mounted assembly and is ideal for clean environments.

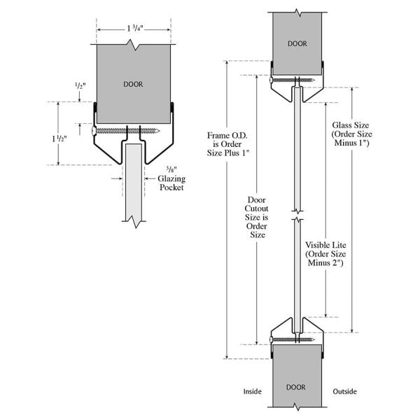
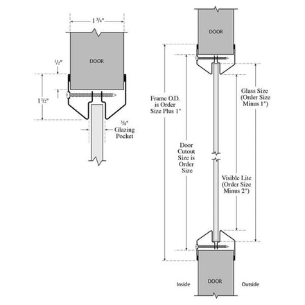
  • Order size equal to cutout size – Glass size is 1″ under, Visible glass is 2″ under
  • Includes Premium Pyran® Platinum F – Premium-Grade Fire-Rated Ceramic Glass – Transparent and Wireless – Surface-Applied Safety Film
  • Glass is permanently etched with UL Classification
  • Closed-cell glazing tape included with every kit
  • Frame is embossed with UL Label (90 Minute Rated)
  • 20 gauge galvannealed steel frame

trudoor-fire-glass-ul-listed

*Please refer to IBC code Chapter 7 (International Building Code) for fire-rated glass requirements and limitations. Door frame, door, and hardware must also be fire-rated. Fire-rating requirements must match the glazing requirements in order for the assembly to fully meet code requirements. Please refer to the manufacturers’ specifications. Please Consult with your door and frame manufacturer’s procedures, for their maximum glass size tested. Interpretation of building and fire codes may vary. Consult with the local authority having jurisdiction to determine appropriate standards in your area. Trudoor assumes no liability or responsibility for any damage to person or property resulting from or incident to the use of the products that we provide. Trudoor assumes no liability or responsibility for misspecified and/or misordered materials. Glass is cut to order and non-returnable or refundable.

Note: Per NFPA 80 (National Fire Protection Association), field cutting of doors for vision panels or enlarging existing cutouts for vision panels is considered to be a field modification that is NOT allowed.

Trudoor is certified by UL to cut, re-certify and label fire-rated glazing materials. Our facility undergoes routine inspections to verify that modifications are done in compliance with the requirements of the UL specification listings. All material is tested in accordance with NFPA codes and standards. UL file number: R39507

Glass is cut to order and non-returnable or refundable.

All lite kits are carefully packaged to ensure safe delivery. Due to the weight and/or fragile nature of this product, a handling/package fee will be added upon checkout. The fee varies depending on the shipping destination. See our shipping info page for more details.

Brand

Finishes

BSP - Black Suede Powder Coat, WSP - White Suede Powder Coat, Beige Powder Coat, Gray Primer Powder Coat, Dark Bronze Duranodic Powder Coat

Order Size

12" x 12", 24" x 32", 24" x 30", 8" x 32", 7" x 22", 5" x 35", 6" x 27", 10" x 10"

Frame Profile

Low

Frame Construction

20 Gauge Galvannealed Steel

Frame Fire-Rating

Classified in accordance with UBC code standard 7-2 for positive pressure, 90 Minute Fire Rating

Frame Fasteners

#8 x 1-3/4" Phillips head SMS

Glass Type

Clear Fire-Rated Glass

Glass Appearance

Clear, Free of Amber Tint

Glass Light Transmission

Approx. 80%

Glass Thickness

3/16"

Glass Impact Safety Rating

ANSI Z97.1 and CPSC 16CFR1201 CAT II

Glass Fire-Rating

20 to 90 Minutes with Hose Stream - UL Listed

Glass Approvals

UL 9, UL 10B, UL 10C, NFPA 80, NFPA 252, NFPA 257, ASTM E2074, ASTM E2010-01, CPSC ANSI Z97.1, ULC CAN4-S104 ,ULC CAN4-S106

Door Thickness

1-3/4"

Glass Fabricated

Trudoor - Phoenix, AZ - USA

LT-B1 Vision Lite Kit Pack with Galvannealed Frame and 3/16″ Clear PYRAN® Platinum F Fire-Rated Safety Glass, 90-Minute Rated
Rockwood LT-B1 Vision Lite Kit Pack with Galvannealed Frame and 3/16″ Clear PYRAN® Platinum F Fire-Rated Safety Glass, 90-Minute Rated