Adams Rite 4510 Standard Duty Deadlatch, Flat Faceplate, Guarded Latch, Flat/Standard Jamb Strike, 335 Black Anodized

4510 Standard Duty Deadlatches provide flexible traffic control during and after business hours

Function:

The 4510 Series Standard Duty Deadlatch offers flexibility of traffic control during and after business hours. A reverse turn of the key while the bolt is held retracted retains the bolt to allow two-way traffic for healthcare, financial institutions, retail, and other applications that require free entrance at certain times and exit-only at other times. Interchangeable, without stile modification, with any MS1850S Deadlock of same backset and faceplate shape. They do not, however, provide the same maximum security level as the MS®Deadlock.

Operation:

Turn key or operate handle or paddle to retract spring-loaded latchbolt. To holdbolt retracted, push it in and secure by reverse turn of key. Lock accepts any standard mortise cylinder with MS® cam, available separately. Lock accepts any standard 1" length, 1-5/32" diameter mortise cylinder with MS® cam such as the 4036 Mortise Cylinder or thumbturn such as the 4066 Thumbturn, available separately. Lock accepts cylinder from either or both sides.

Features:

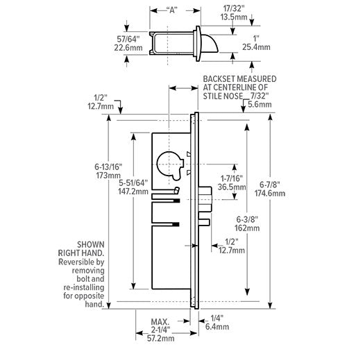
  • Cylinder Backset: 7/8", 31/32", 1-1/8" or 1-1/2"
  • Case: Steel with corrosion-resistant plating. Measures 1" x 5-13/16" x depth. Depth varies by backset.
  • Bolt Holdback: While bolt is held fully retracted, a reverse turn of the key retains the bolt, allowing the door to be free swinging
  • Latchbolt: All metal with hardened steel internal pins. Handing is reversible without special tools. Measures 1/2" x 1" x 1/2" throw
  • Auxiliary Bolt: All metal. Deadlocks latchbolt to prevent “loiding” or case-knife entry
  • Faceplate: Measures 1" x 6-7/8" (flat faceplate)
  • Strike: 4902-01 for flat jamb where door closes flush or nearly flush or 4901-01 (longer strike) to cover slot strike of MS lock
  • Standard Package: Individually boxed with strike and mounting screws. Cylinder, paddle, handle available separately.
Brand

Finishes

335 Black Anodized

Backset

31/32" Backset, 1-1/8" Backset, 7/8" Backset, 1-1/2" Backset

Faceplate

Flat faceplate, 1" x 6-7/8"

Strike

1 - Mortised (4901) 4-5/8", 2 – Mortised (4902) 2-5/8"

Case

Steel with corrosion-resistant plating. Measures 1″ x 5-13/16″ x depth. Depth varies by backset.

4510 Standard Duty Deadlatch, 335 Black Anodized
Adams Rite 4510 Standard Duty Deadlatch, 335 Black Anodized